Temperatur regulator m/frostsikr. 2*0-10 Vdc ventlator start/stop 
6 applikationer | TRD-3986

Temperatur regulator m/frostsikr. 2*0-10 Vdc ventlator start/stop 6 applikationer

Varenummer: TRD-3986
inkl. moms 2.508,75 DKK
ekskl. moms 2.007,00 DKK
-
+
Læg i kurv
Change quantity to add product

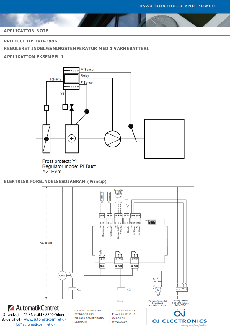
TRD regulatoren fra OJ Electronics er specielt velegnet til ventilationsanlæg hvor indblæsningstemperatur eller rumtemperatur skal holdes konstant.
TRD har indbygget aktiv frostsikring, hvilket begrænser installationsomkostningerne i anlæg hvor frostbeskyttelse er påkrævet.

Tekniske data
EAN 5703502550497
Temperaturområde 0-50C
Spænding 24Vac/dc
Styresignal 2x0-10Vdc
Tætningsklasse IP20
Kontaktsæt 2xSPDT,5A,250V
Følertype 2xPT-1000
Filer


Application Note DK
Application Note DK


Datablad TRD 3986 DK
Datablad TRD 3986 DK